Friday, March 13, 2015

Faac Gate Opener Parts

Faac Gate Opener Parts Pictures

Voor De Natuur 100% Kringlooppapier Para La Naturaleza 100% ...
FAAC declines all liability caused by improper use or use other than that The mechanical parts must conform to the provisions of Standards EN 12604 and EN 12605. For non-EU countries, to obtain an adequate level of safety, the Standards ... Fetch Full Source

Faac Gate Opener Parts

CONTENTS
The FAAC 422 Operator is an automatic gate operator for a swinging gate leaf. It can accommodate a gate leaf of up to 900 lb (410 kg) and up to 10 ft any part of parts manufactured by FAAC S.p.A. and distributed by FAAC International, Inc. Defective ... Document Retrieval

Faac Gate Opener Parts

The Preferred Distributor For Gate Operators, Door Operators ...
We carry & stock a full line of Operators, Parts & Accessories. Power Door Products is an Authorized FAAC Repair Center. FAAC USA Page 8 GATE OPERATORS WWW.POWERDOORPRODUCTS.COM 914-698-5083 BGU SERIES BARRIER GATE ... Fetch Content

Faac Gate Opener Parts Photos

Model400 - Gate Openers Gate Operators Driveway Gates Wrought ...
Opening a Whole New World: FAAC Swing Gate Systems Model400 The Model 400 is specifically designed for situations needing maximum versatility, such as ... Return Document

Faac Gate Opener Parts Images

E-S 1100 / E-S 1102 Estate Swing Gate Opener
For maintenance, strictly use original parts by FAAC. 19. Do not in any way modify the components of the automated system. Class I: A vehicular gate opener (or system) intended for use in a home of one-to-four single family dwelling, or a garage or parking area associated ... Access Full Source

Faac Gate Opener Parts Images

The 760 Operator And 450 MPS Control Panel: Installation Manual
450 MPS Control Panel: Installation Manual Contents FAAC International, Inc. 303 Lexington Avenue Cheyenne, WY 82007 www.faacusa.com. 2 A gate is a potential traffic hazard, so it is important that you locate the gate far enough away from the ... Fetch Here

Images of Faac Gate Opener Parts

FAAC 746 Manual - ESI
Than FAAC original parts are used. 19) Use only FAAC original spare parts for maintenance operations. 20) Do not carry out any modifications to automation components. the gate leaf by means of a rack and pinion or drive chain ... Get Doc

Faac Gate Opener Parts Photos

COP-770 B - LAOrnamental
Plate suitably fixed to the gate, besides the safety devices as per point 16. above. 18) other than FAAC original parts are used. 19) Use only FAAC original spare parts for maintenance operations. 20) Do not carry out any modifications to automation components. ... Access Content

Pictures of Faac Gate Opener Parts

E-S 1600 / E-S 1602 Estate Swing Gate Opener
For maintenance, strictly use original parts by FAAC. 19. Do not in any way modify the components of the automated system. The gate opener will be extended in the gate’s closed position and as the opener retracts it PULLS the gate open. ... Retrieve Here

Electric Gate Opener Repair. - YouTube
Replaced relay control board, repaired forward and reverse limit switch board. Made part for swivel that attaches to actuator. ... View Video

Faac Gate Opener Parts

Chamberlain Elite Gate Operator Manual - WordPress.com
Chamberlain Elite Gate Operator Manual Elite Gates is the top provider of gate openers and entry systems, along with accessories and parts for your electric gate. ... Access Doc

Images of Faac Gate Opener Parts

E-S 1100 / E-S 1102 Estate Swing Gate Opener
Instruction Manual for the Featuring Manufactured by E-S 1100 / E-S 1102 Series ! strictly use original parts by FAAC. 19. Do not in any way modify the components of the automated system. A vehicular gate opener (or system) intended for use in a home of one ... Fetch This Document

Faac Gate Opener Parts Images

620-640 With 625BLD Install Manual - FAAC Gate Openers
Gate and for the frequency with which you use the operator. 3. any part of parts manufactured by FAAC S.p.A. and distributed by FAAC International, Inc. Defective products must be returned to FAAC International, Inc., ... Retrieve Full Source

Pictures of Faac Gate Opener Parts

O-ring Kits For faac gate Operator
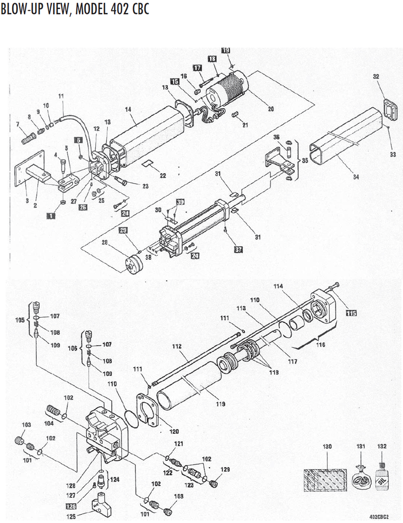
FAAC Gate Operators Repair Parts or FAAC 400 Slide Operators Repair. PRODUCT: "FAAC 400 CBAC EG (Long) Basic Single Operator Kit 115V-. part on your FAAC Gate Opener? which include: Motors, Arms, Booms, Batteries, O-Rings, ... Fetch Doc

Faac Gate Opener Parts

Installation Manual - Gate Openers Gate Operators Driveway ...
Installation Manual: The 400 Operator and 450 MPS Control Panel Contents Lubricate all the gate's moving parts. 3. Any products and parts not manufactured by FAAC S.p.A. and distributed by FAAC International, Inc., ... Document Retrieval

Images of Faac Gate Opener Parts

CONTENTS
THE 412 COMPACT OPERATOR GENERAL CHARACTERISTICS The FAAC 412 Compact Operator is an automatic gate operator for a swinging gate leaf. The 412 Compact ... Retrieve Doc

Photos of Faac Gate Opener Parts

Featuring - Driveway Gates | Gate Opener | Automatic Gate
For maintenance, strictly use original parts by FAAC. 19. Do not in any way modify the components of the automated system. Class I: A vehicular gate opener (or system) intended for use in a home of one-to-four single family dwelling, or a garage or parking area associated ... Document Retrieval

Photos of Faac Gate Opener Parts

CENTURION D3, D5, A10 And FAAC 844 SLIDING GATE AUTOMATION
And FAAC 844 CENTURION SLIDING GATE AUTOMATION. 2 - Centurion Sliding Gate Operators User Guide Product Guarantee D3 and D5, version 3 The guarantee will cover the repair or replacement at our discretion of such faulty materials or parts ... Access Full Source

Pictures of Faac Gate Opener Parts

E-SU 2200 / E-SU 2202 Estate Swing Underground Gate Opener
The mechanical parts must conform to the provisions of Standards EN 12604 and EN 12605. For maintenance, strictly use original parts by FAAC. 19. Do not in any way modify the components of the automated system. If the gate opener move a few inches or feet and stops or reverses directions. ... Get Content Here

Faac Gate Opener Parts

Hydraulic Operator - ===AUTO-DOOR-KOREA===
Hydraulic operator for light commercial and industrial swing-leaf gates 20 A WIDE RANGE OF MODELS The FAAC 400 offers a range of 7 different operators, with or without hydraulic locking ... Access Doc

No comments:

Post a Comment